Національний університет кораблебудування імені адмірала Макарова

Підвищення енергоефективності будівель є одним із ключових завдань сучасної енергетики, особливо в умовах зростання тарифів на теплову енергію та необхідності зменшення викидів парникових газів. Одним із найбільш ефективних технічних рішень у сфері централізованого теплопостачання є індивідуальний тепловий пункт (ІТП).
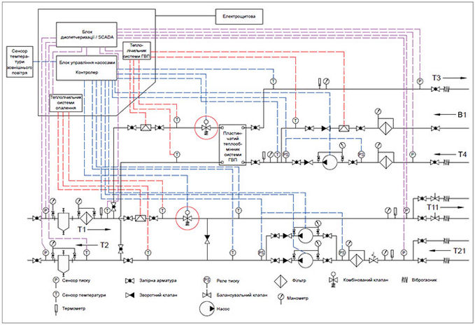
ІТП — це автоматизований комплекс теплотехнічного обладнання, який встановлюється, як правило, у підвалі або технічному приміщенні однієї будівлі та забезпечує її підключення до централізованої теплової мережі з можливістю точного регулювання параметрів теплопостачання.
1. Що таке індивідуальний тепловий пункт і як він працює
Індивідуальний тепловий пункт виконує функцію перетворювача параметрів теплоносія, який надходить із зовнішньої тепломережі, адаптуючи його до реальних потреб будівлі — опалення, гарячого водопостачання (ГВП) та, за необхідності, вентиляції.
На відміну від застарілих елеваторних вузлів, ІТП:
-
не змішує теплоносій механічно
-
використовує теплообмінники
-
працює в автоматичному режимі
-
забезпечує гідравлічну та температурну незалежність внутрішніх систем будівлі.
2. Основні функції ІТП
Погодне регулювання
Автоматичне коригування температури теплоносія залежно від температури зовнішнього повітря дозволяє уникнути «перетопів» у перехідні періоди та суттєво зменшити споживання тепла.
Регулювання теплового навантаження
ІТП підтримує оптимальний тепловий режим у приміщеннях незалежно від коливань параметрів у магістральній тепломережі.
Гаряче водопостачання
Система забезпечує стабільне та безперебійне ГВП необхідної температури без прямого забору мережної води.
Комерційний облік теплової енергії
У складі ІТП, як правило, встановлюється вузол обліку теплової енергії, що забезпечує прозорість розрахунків.

3. Енергоефективність та економічний ефект
Практика впровадження ІТП в житлових і громадських будівлях демонструє:
-
зменшення споживання теплової енергії на 30–40%
-
скорочення витрат на опалення без погіршення комфорту
-
зниження пікових навантажень на теплові мережі
-
швидку окупність інвестицій (у середньому 3–5 років)
4. Склад обладнання індивідуального теплового пункту
Типовий ІТП включає такі основні елементи:
-
Пластинчасті теплообмінники - забезпечують передачу тепла між контуром тепломережі та внутрішніми системами будівлі;
-
Циркуляційні насоси - підтримують необхідну витрату теплоносія в контурах опалення та ГВП;
-
Запірно-регулювальна арматура - клапани, регулятори тиску, кульові крани для керування потоками;
-
Система автоматизації та контролери - реалізують погодне регулювання, добові та тижневі графіки;
-
Контрольно-вимірювальні прилади (КВП) - датчики температури, тиску, витрати теплоносія.




5. Обмеження та особливості експлуатації
Слід зазначити, що робота ІТП залежить від наявності електропостачання, оскільки насоси та автоматика потребують живлення. Тому на об’єктах підвищеної відповідальності рекомендується передбачати резервні джерела електроенергії.
6. Висновки
Індивідуальний тепловий пункт є ключовим елементом сучасної енергоефективної будівлі. Його впровадження дозволяє не лише значно знизити споживання теплової енергії та експлуатаційні витрати, але й підвищити комфорт користувачів та надійність систем теплопостачання.
Для проектів з енергоаудиту та термомодернізації будівель ІТП є одним із найбільш ефективних і технічно обґрунтованих рішень, що повністю відповідає цілям сталого енергетичного розвитку, які просуває ENSAVE.org.
7. Розрахункові основи роботи індивідуального теплового пункту
1. Теплова потужність системи опалення
Базова формула для визначення теплової потужності, яку передає ІТП:
Q=G⋅c⋅(tп−tз)
де:
-
Q— теплова потужність, Вт
-
G — масова витрата теплоносія, кг/с
-
c — питома теплоємність води, 4,18 кДж/(кг\cdotp°C)
-
tп — температура подачі, °C
-
tз — температура зворотного теплоносія, °C
Саме ІТП дозволяє динамічно змінювати G та tп залежно від температури зовнішнього повітря.
2. Погодне регулювання (кліматична крива)
Температура теплоносія в системі опалення визначається за залежністю:
tп=tвн+k⋅(tвн−tзов)
де:
-
tвн — нормативна внутрішня температура (18–22 °C)
-
tзов — температура зовнішнього повітря
-
k — коефіцієнт погодної компенсації
ІТП автоматично змінює кут нахилу цієї кривої, що неможливо реалізувати в елеваторних вузлах.
3. Річне споживання теплової енергії
Для оцінки ефекту від впровадження ІТП використовується:
Qрік=∑(Qi⋅τi)
або спрощено: Qрік=q⋅A
де:
-
q — питомі витрати тепла, Гкал/м²·рік
-
A — опалювальна площа будівлі, м²
Після встановлення ІТП значення q зменшується на 30–40%.
8. Приклад розрахунку економії від впровадження ІТП
Вихідні дані:
-
Житловий будинок: 5 000 м²
-
Початкове споживання: 0,18 Гкал/м²·рік
-
Тариф на теплову енергію: 1 800 грн/Гкал
До впровадження ІТП:
Qдо=0,18⋅5000=900 Гкал/рік
Вартість:
900⋅1800=1 620 000 грн/рік
Після впровадження ІТП (–35%):
Qпісля=900⋅0,65=585 Гкал/рік
Вартість:
585⋅1800=1 053 000 грн/рік5
Річна економія:
1 620 000−1 053 000=567 000 грн/рік
9. Кейс енергоаудиту: впровадження ІТП в багатоквартирному будинку
Об’єкт аудиту:
-
9-поверховий житловий будинок
-
Рік побудови: 1985
-
Система теплопостачання: елеваторний вузол
-
Опалювальна площа: 6 200 м²
Виявлені проблеми:
-
Перетопи у міжсезоння
-
Скарги мешканців на перегрів
-
Високе споживання тепла — на 28% вище нормативного
Рекомендовані заходи:
-
Демонтаж елеваторного вузла
Встановлення ІТП з:
-
пластинчастим теплообмінником

10. Значення ІТП в енергоаудиті та термомодернізації
ІТП є:
-
базовим заходом у звітi з енергоаудиту
-
необхідною умовою для коректної роботи утеплення будівель
-
ключовим елементом виконання Директив ЄС з енергоефективності будівель (EPBD)
Саме тому в практиці ENSAVE.org -ІТП розглядається як першочерговий інженерний захід із найбільшим енергетичним та економічним ефектом.

11. Оцінка скорочення викидів CO₂-еквіваленту при впровадженні ІТП
Чому CO₂-еквівалент важливий?
Споживання теплової енергії безпосередньо пов’язане з викидами парникових газів, оскільки більшість систем централізованого теплопостачання в Україні працюють на природному газі або комбінованому паливі.
Зменшення теплового навантаження завдяки ІТП автоматично призводить до скорочення викидів CO₂, що є важливим показником для:
-
кліматичних планів громад (SECAP)
-
ESG-звітності
12. Методика розрахунку CO₂-еквіваленту
Для орієнтовної оцінки використовується питомий коефіцієнт викидів для теплової енергії:
CO2=Q⋅EF
де:
-
CO — викиди CO₂-еквіваленту, т/рік
-
Q — споживання теплової енергії, Гкал/рік
-
EF— коефіцієнт викидів, т CO₂/Гкал
Рекомендовані коефіцієнти:
-
централізоване теплопостачання (природний газ):
EF=0,202 т CO₂/Гкал
Значення узгоджується з практикою енергоаудитів та європейськими методиками перерахунку.
13. Розрахунок скорочення CO₂ (приклад)
Вихідні дані (з попереднього кейсу):
-
Споживання до ІТП: 900 Гкал/рік
-
Споживання після ІТП: 585 Гкал/рік
Викиди до впровадження ІТП:
CO₂_{до} = 900 \cdot 0{,}202 = 181{,}8 \text{ т CO₂/рік}
Викиди після впровадження ІТП:
CO₂_{після} = 585 \cdot 0{,}202 = 118{,}2 \text{ т CO₂/рік}
Скорочення викидів:
ΔCO2=181,8−118,2=63,6 т CO₂/рік
Це еквівалентно:
-
поглинанню ~ 2 900 деревами за рік
-
або зменшенню пробігу автомобілів на ≈ 350 000 км

14. Значення скорочення CO₂ для ENSAVE.org
Впровадження ІТП дозволяє ENSAVE.org у своїх проєктах:
✔ кількісно обґрунтовувати кліматичний ефект заходів
✔ інтегрувати енергоаудити у SECAP / SECAP+
✔ підтримувати підготовку ESG та нефінансової звітності
✔ відповідати цілям Green Deal та Fit for 55
Висновок (доповнений)
Індивідуальний тепловий пункт — це не лише інструмент економії коштів, а й реальний механізм декарбонізації будівельного фонду.
Поєднання економічного ефекту (до –40% тепла) та екологічного результату (–60…90 т CO₂/рік для одного будинку) робить ІТП одним із найбільш ефективних заходів у сучасній енергетичній політиці.
Замовте консультацію — зробіть свій внесок до декарбонізації будівельного фонду вже сьогодні! >
based on material from : матеріал підготовлений співробітниками / based on open data from the Internet...









